Automatische etikettiermachine

Geset 247

Boven- en onderzijde-etikettering voor producten die vanwege hun geometrie geklemd worden getransporteerd

  • Twee etiketten per product
  • Compact, eenvoudig te integreren ontwerp
  • Uitbreidbaar met printtechnologieën voor variabele gegevens
  • Etikettenindeling min. 20 x 25 mm, max. 135 x 300 mm
  • Etiketten tot 300 producten/min

Dankzij klemband: veilig geleid, nauwkeurig geëtiketteerd

De CE-conforme etiketteermachine Geset 247 is speciaal ontwikkeld voor maximale gebruiksvriendelijkheid en eenvoudige integratie in bestaande productielijnen. Het modulaire systeem etiketteert producten betrouwbaar aan de boven- en onderzijde. De geïntegreerde klemtransportband zorgt voor een constant stabiele productstroom tijdens het etiketteerproces. Het etiketteren gebeurt met twee Alpha HSM highspeed-etiketdispensers. Dankzij het centrale touchscreen en een bediening op korte afstand is de besturing intuïtief – ideaal ook voor minder geschoold personeel. Een snelle rol- en formaatwissel vermindert stilstand en verhoogt de flexibiliteit.

Product- en etiketafhankelijke parameters kunnen worden opgeslagen en direct opgeroepen. Het compacte ontwerp met geïntegreerde besturingskast, insteekbare componenten en overzichtelijke lay-out bespaart ruimte en vereenvoudigt het onderhoud. Voor snelle en efficiënte ondersteuning is de machine bovendien volledig op afstand te onderhouden. Met verschillende interfaces voegt zij zich naadloos in moderne productieomgevingen.

Toepassingen

Bijzonderheden

Voor producten en verpakkingen in de voedingsmiddelen- en farmaceutische industrie & Co.

Het systeem etiketteert verpakkingen zoals dozen, diepgetrokken trays, dozen en soortgelijke producten en is geschikt voor toepassingen in de voedingsmiddelen-, farmaceutische, gezondheidszorg- en thuiszorgindustrie. Alle etiketteringsparameters kunnen productspecifiek worden opgeslagen en met hoge nauwkeurigheid worden opgeroepen – ideaal voor wisselende producten en kleine batches.

Optioneel uit te breiden met printtechnologieën

Als variabele gegevens zoals houdbaarheidsdatum of batchnummer op de etiketten moeten worden afgedrukt voordat ze worden aangebracht, kan het systeem eenvoudig worden uitgebreid. Speciale houders voor thermische overdrachtprinter en inkjetprinters maken deel uit van de module en zijn onmiddellijk beschikbaar. Zo kun je jouw hoogwaardige labels bij het etiketteren zeer efficiënt, goed leesbaar en nauwkeurig voorzien van extra coderingen. Wij adviseren je graag over het juiste apparaat.

Schakelkast met IP54 en roestvrijstalen ontwerp optioneel

De besturingsbehuizing kan optioneel worden vervangen door een schakelkast met IP54-bescherming - ter bescherming tegen spatwater tijdens het reinigen. Er is ook een roestvrijstalen versie van het systeem verkrijgbaar, die de corrosiebestendigheid van gevoelige onderdelen zoals de motor en transportband verhoogt in zeer vochtige en veeleisende omgevingen.

Klemtape voor nog nauwkeuriger etiketteren

De Geset-systemen van de 24x-serie zijn uitgerust met speciale klemriemen die producten nauwkeurig en veilig door het etiketteerproces leiden. Vooral bij lichte, instabiele of onregelmatig gevormde verpakkingen zorgen de zijriemen voor een exacte fixatie en centrering. Maar ook voor andere producten kunnen klemriemen voordelig zijn, met name wanneer een bijzonder precieze etiketteren vereist is. Tegelijkertijd maken de klemriemen een zorgvuldige overdracht naar voor- en nageschakelde systemen mogelijk, wanneer producten vanwege hun aard rechtstreeks door de transporttechniek moeten worden “geplukt” of opgenomen.

Technische gegevens
Applicatiegegevens
Etiketpositie
Bovenkant, Onderkant
Maximale etikettenapplicatiesnelheid
300 /min
Productsnelheid tot
30 m/min
Positienauwkeurigheid (+/-)
2 mm
Etikettenformaat min. (BxL)
20 x 25 mm
Etikettenformaat max. (BxL)
135 x 300 mm
Diameter etikettenrol max.
300 mm
Te etiketteren product
Productafmetingen max. (H×B×L)
250 x 200 x 500 mm
Productafmetingen min. (H×B×L)
20 x 20 x 20 mm
Kenmerken
optionele speciale uitrusting
TTO-drukmodule, Markoprint X1 Printer, Roestvrije uitvoering
Producttransport
Klemriemen
Productbeheer
ja
HMI
HMI uitvoering
Touchdisplay
Systeemeigenschappen
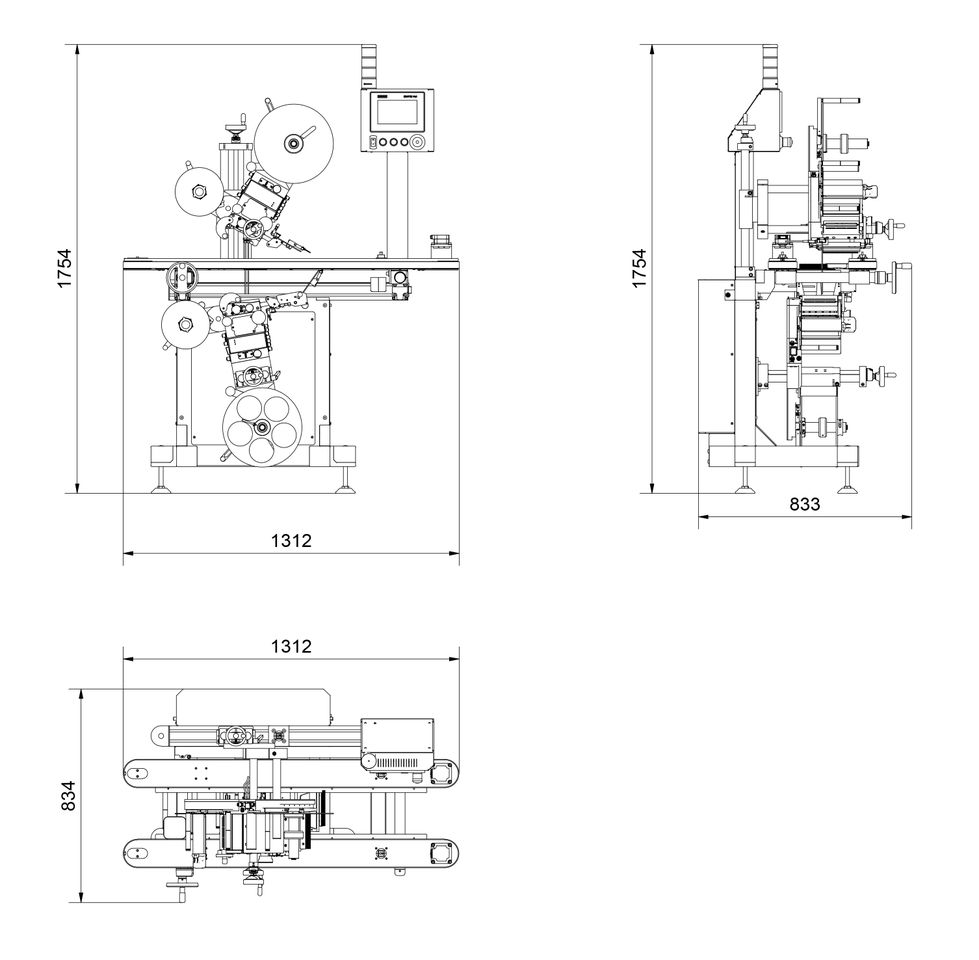
Afmeting systeem (HxBxL)
1754 x 833 x 1312 mm
Gewicht
180 kg
Zonder etikettenrol
Certificeringen
CE, UKCA
Rel. vochtigheid niet-condenserend
20 - 90 %
Omgevingstemperatuur
10 - 30°C
Geluidsniveau
75 dB
A-gewogen geluidsdrukniveau
Aansluitspanning
230 V
Netfrequentie
50 Hz
Aansluitingen
Persluchtaansluiting
6 bar
Alleen nodig in combinatie met optionele uitrusting