Imprimante à jet d'encre industrielle

Markoprint X1JET HP Premium

Système d’entrée de gamme économique et appareil compact polyvalent, plus une fonction haut débit

  • Hauteur d’impression jusqu’à 12,7 mm, résolution d’impression jusqu’à 600 dpi
  • Atteint des vitesses d’impression allant jusqu’à 180 m/min
  • Forme particulièrement compacte avec un faible encombrement
  • Faible maintenance et facile à utiliser
  • Photocapteur intégré pour la détection du produit

Variante haute vitesse : gain de place, prix avantageux, impression flexible

La Markoprint X1JET HP Premium marque les surfaces planes absorbantes et semi-absorbantes de manière précise et fiable. L’imprimante jet d’encre thermique avec la technologie des cartouches HP réunit la tête d’impression et le contrôleur dans un carter robuste en aluminium anodisé. Cela rend l’imprimante extrêmement compacte et donc facile à intégrer. En cas d’espace restreint, pour l’intégration dans des installations de production existantes ou pour le développement de nouveaux concepts d’installation: la Markoprint X1JET HP Premium permet une liberté de planification maximale.

Par rapport à la version standard, elle dispose d’un connecteur M8 comme alimentation supplémentaire et imprime deux fois plus vite.

La tête d’impression fait partie de la cartouche d’encre. Ainsi, à chaque changement de cartouche, la tête d’impression est également remplacée. Cela évite des travaux d’entretien et de nettoyage coûteux et garantit des résultats d’impression optimaux. La Markoprint X1JET HP Premium imprime des textes, des codes à barres 1D, des codes 2D et des graphiques en haute résolution et fournit des résultats d’impression brillants sur les produits et les emballages. Le marquage est indélébile, bien lisible et durable et convient notamment à l’industrie alimentaire, chimique, des matériaux de construction et pharmaceutique.

Applications

Particularités

Cellule photoélectrique intégré

Elle détecte avec précision quand un produit se trouve exactement à la bonne position pour déclencher de manière fiable le processus d’impression. Cela garantit que chaque étiquette ou impression est réalisée avec une précision absolue et une qualité constante.

Utilisation intuitive via 3 touches logiques avec voyants d’état LED

L’utilisation simple via trois touches logiques avec des voyants de contrôle LED sur le dessus du carter garantit une commande conviviale du système. Ainsi, même le personnel non formé parvient à utiliser la Markoprint X1JET HP Premium et à exécuter des travaux d’impression en toute sécurité.

Technologie de carte à puce pour des impressions de qualité constante

Une puce dans la cartouche d’encre identifie le type d’encre actuel et règle automatiquement les paramètres correspondants. Un changement manuel lors du remplacement de l’encre n’est plus nécessaire. De même, le niveau d’encre, entre autres, est enregistré et affiché en temps réel. Cela permet de contrôler le remplacement des cartouches et d’éviter les arrêts de production imprévus. Grâce au support de cartouche Click’n Print, les changements d’encre se font rapidement et facilement.

Fonctionnalité premium pour de meilleures performances

La Markoprint HP Premium est équipée d’un connecteur M8 pour l’alimentation électrique supplémentaire à l’arrière de l’appareil. Par rapport à la version standard, elle imprime deux fois plus vite et atteint facilement des vitesses de transport élevées, jusqu’à 180 m/min.

Version Wi-Fi disponible en option

La version Wi-Fi disponible en option du Markoprint X1JET Premium offre la possibilité de contrôler le système d’impression de manière flexible et sans connexion par câble. Les réglages, la surveillance et les travaux d’impression peuvent ainsi être effectués à distance, sans devoir se tenir directement devant l’appareil. Cela accroît la liberté de mouvement sur le poste de travail, réduit les efforts d’installation et garantit une utilisation particulièrement confortable et mobile du système.

Niveaux de performance clairs pour des solutions d’impression flexibles et évolutives

Le Coding Score spécialement développé facilite le choix et la configuration des systèmes d’impression Markoprint. Les niveaux de performance – PRINT, BASIC, ADVANCED, PRO et ULTIMATE – sont clairement définis, faciles à comparer et varient selon le système. Cela apporte de la transparence lors de la décision et assure une sécurité d’investissement dans une solution de marquage pouvant être étendue à tout moment. Les nouvelles exigences en matière de production, d’efficacité ou de durabilité peuvent être intégrées sans difficulté, garantissant des processus puissants et économiques à long terme.

Données techniques
Spécifications d’impression
Print
Basic
Advanced
Pro
Ultimate
Type d’imprimante
Jet d’encre thermique (TIJ)
Technologie d’impression supportée
HP
Hauteur d’impression
1 - 12,7 mm
Résolution d’impression verticale jusqu’à
Print
300 dpi
Basic
300 dpi
Advanced
600 dpi
Pro
600 dpi
Ultimate
600 dpi
Vitesse d’impression jusqu’à
Print
30 m/min
Basic
30 m/min
Advanced
60 m/min
Pro
90 m/min
Ultimate
180 m/min
Distance recommandée entre la tête d’impression et le produit
1 mm
Distance entre la tête d’impression et le produit
1 - 4 mm
Nombre de têtes d’impression jusqu’à
1
Nombre maximal de lignes de production
1
Orientation
De droite à gauche, De gauche à droite
Fonction
Impression latérale, Impression de la face supérieure
Contenus imprimables
Print
Champs de texte, Graphiques BMP
Basic
Champs de texte, Graphiques BMP, Indication de temps, Champ de date
Advanced
Code à barres, Champs de texte, Graphiques BMP, Compteur, Indication de temps, Champ de date, Décalage de la date, Saisie de variables, Champs d’action
Pro
Code à barres, Codes 2D, Champs de texte, Graphiques BMP, Compteur, Indication de temps, Champ de date, Décalage de la date, Saisie de variables, Champs d’action
Ultimate
Code à barres, Codes 2D, Champs de texte, Graphiques BMP, Compteur, Indication de temps, Champ de date, Décalage de la date, Saisie de variables, Champs d’action
Code à barres
Print
Basic
Advanced
Code 2 sur 5, Code 39, Code 93, EAN 8, EAN 13, GS1 Databar, UPC-A, UPC-E
Pro
Code 2 sur 5, Code 39, Code 128, DataMatrix, EAN 8, EAN 13, GS1 Datamatrix, GS1 Databar, QR Code, UPC-A, UPC-E, autres sur demande
Ultimate
Code 2 sur 5, Code 39, Code 128, DataMatrix, EAN 8, EAN 13, GS1 Datamatrix, GS1 Databar, QR Code, UPC-A, UPC-E, autres sur demande
DBPrint
Print
Basic
Advanced
Pro
Ultimate
Impression directe PDF
Polices
Toutes les polices de caractères Windows, Polices spécifiques aux clients
Conditions logicielles
Windows 7, 8, 10, 2 GB pour 32-bit ou 4 GB pour 64-bit, Au moins 30 Go d’espace sur le disque dur, DirectX 9 ou supérieur avec le pilote WDDM 1.0, Souris PC ou écran tactile, Interface pour le raccordement du dispositif d’impression, Processeur d’au moins 1 GHz
Logiciel d’interprétation
integra Command
Spitting
Encre
Couleur
Bleu, Jaune, Vert, Blanc, Rouge, Noir, UV-visible, Durcissement par UV
Il est possible de travailler avec une encre au maximum par système.
Composition
Basé sur la solvabilité, Basé sur l’eau
Matériel informatique
Print
Basic
Advanced
Pro
Ultimate
Panneau de commande/affichage externe
Écran externe Vivid, Écran externe HMI
Protection par mot de passe
Print
Basic
Advanced
Pro
Ultimate
Capteur interne
Signal du capteur
NPN, Seuil de commutation 7V, PNP (après transformation)
Signal du transmetteur
Symétrique ou NPN, Tension 24 V, Seuil de commutation 7 V, Fréquence max.150 kHz
Sorties d’état/ d’alarme
Print
4
Basic
4
Advanced
4
Pro
4
Ultimate
4
Extension de la mémoire flash en option
Emplacement pour clé USB
Emplacement pour carte mémoire SD
Emplacement PCMCIA
Wi-Fi
Print
Basic
Advanced
Pro
Ultimate
Interfaces
sUB-D 15 pôles (connexion transmetteur/capteur/entrées/sorties et alimentation électrique en option), USB (transfert des mises en page, modifications des paramètres), Connecteur M8 pour le raccordement au réseau
Interfaces (en option)
WLAN/WiFi (en option)
Aspects physiques
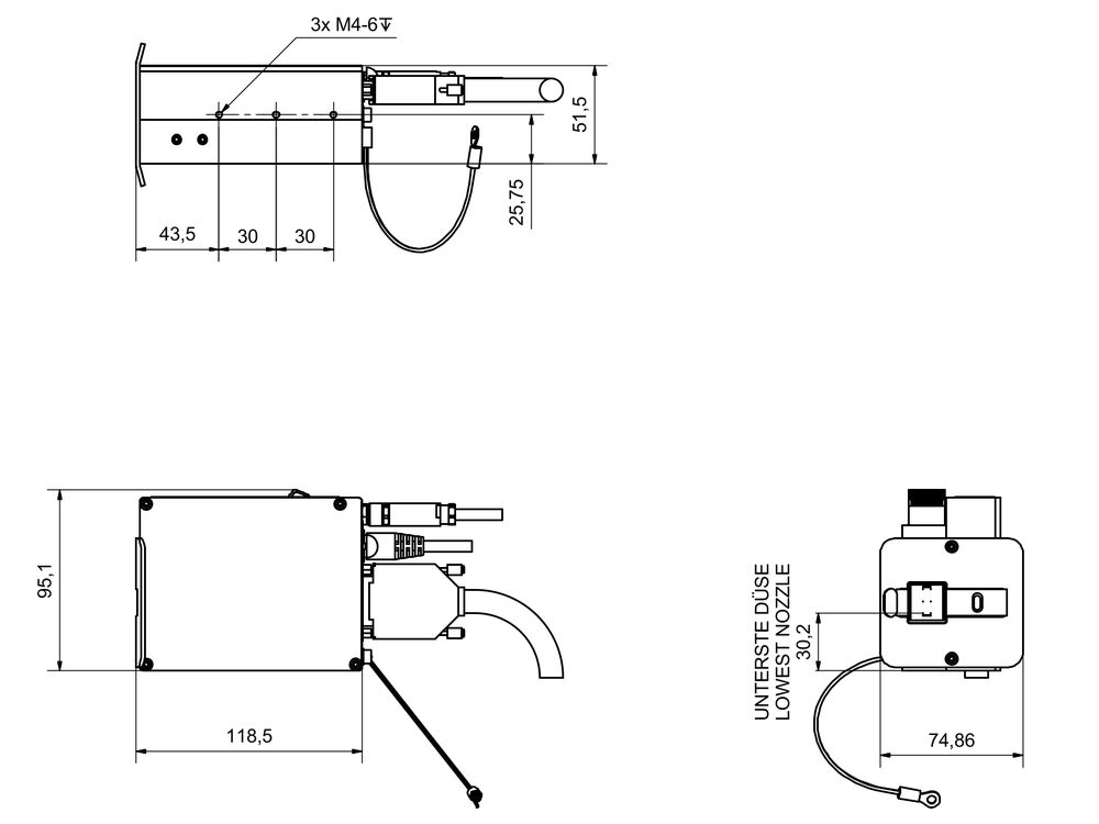
Dimensions du système (HxLxP)
96 x 75 x 119 mm
Poids
0,57 kg
IP type de protection
IP 40
Autorisations
CE
Humidité relative non condensante
10 - 90 %
Température ambiante
5 - 40°C
Tension de raccordement
100-230 V
Fréquence du secteur
50-60 Hz
Intensité du courant
1,25 A
Consommation électrique
15 W

Études de cas

Case study on labelling and marking - Faller

August Faller

Chez August Faller KG, spécialiste de l'emballage pharmaceutique, les imprimantes jet d'encre Markoprint X1JET de Bluhm Weber Group Systems ont pour mission importante d'imprimer en parfaite qualité toutes les mentions légales obligatoires sur les emballages de médicaments dans l'usine de Großbeeren, près de Berlin.

Lire l'étude de cas